Laser Processing

3CS Spindle

Precision Rotary Spindle for Laser Tube Cutting with 3C Collet Integration
Designed Specifically for Medical Tube Processing
Print
Do you have questions? Contact our Experts:  (866) 906-2709

Overview

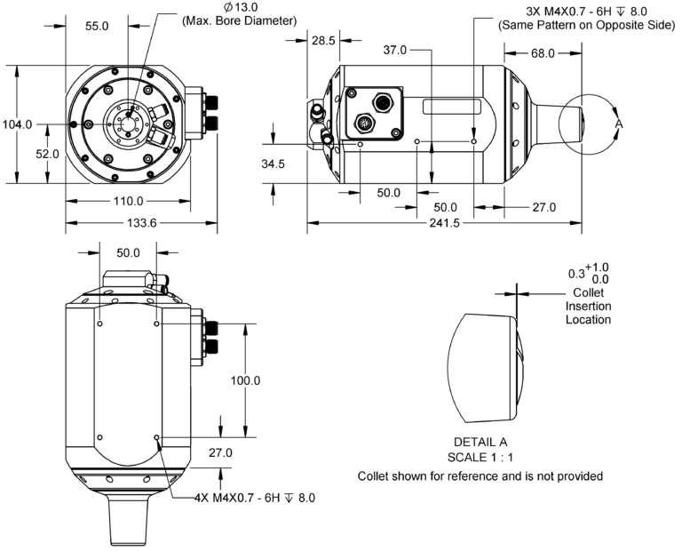
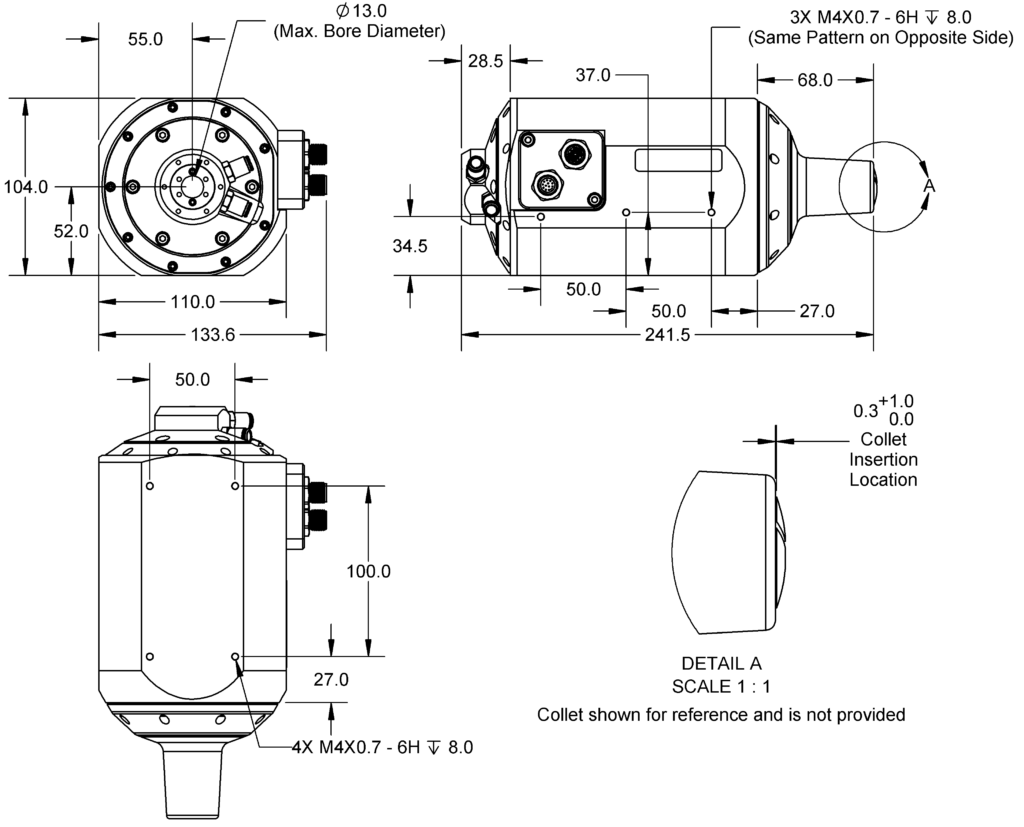
The 3CS Spindle is a high-precision rotary motion system with integrated pneumatic workholding, designed for processing sensitive tubular components in medical device manufacturing.

Its design incorporates precision spindle bearings, a non-contact rotary union, and a high-resolution encoder to enable high speeds, smooth rotation, and precise positioning. The 3CS is compatible with wet-cut operations and supports 3C collets.

For additional specifications and configuration options, contact the Griffin Motion Applications Team.

Features

Integrated Pneumatic Collet Actuation with Zero-Friction Air Union
High Precision Spindle Bearings
Compatible with 3C Lathe Collets
Up to 13.0mm Workpiece Diameter
Low-Inertia, High Speed Design (3000rpm)
Dead-Length Collet Closing
Wet-Cut Capable
Field-Serviceable Collet-Closing Mechanism

Specifications

Air Pressure Range (PSI):60-90
Air Quality Required:ISO8573-1:2010 Class 3.4.3
Angular Accuracy +/- (arc-sec):30
Angular Repeatability +/- (arc-sec):4.0
Max Angular Velocity (rpm):3000
Collet Type:3C
Continuous Torque (Nm):2.2
Peak Torque (Nm):4.4
Piston Surface Area (mm²):1650
Radial Runout (µm):<30
Rotational Inertia (kgm²):0.00134
Mass (kg):5.4
Maximum Workpiece Diameter (mm):13.0
3CS Render C-4K
3CS Render D-4K

Mechanical Details

Downloads

product-cta-bg

Do you have questions?
Contact our experts

Request a Quote

Download File

"*" indicates required fields

This field is for validation purposes and should be left unchanged.
Name*

Download File

"*" indicates required fields

This field is for validation purposes and should be left unchanged.
Name*