Laser Processing

STS-110

Precision Rotary Spindle for Laser Tube Cutting with 1C or Type D Collet Integration
Designed Specifically for Medical Tube Processing
Print
Do you have questions? Contact our Experts:  (866) 906-2709

Overview

The STS-110 is a high-precision rotary motion system with integrated pneumatic workholding, designed for processing sensitive tubular components in medical device manufacturing.

The design incorporates precision spindle bearings, a non-contact rotary union, and a high-resolution encoder to support high acceleration, smooth rotation, and precise positioning. The STS-110 is compatible with wet-cut operations and is available with 1C or Type D collet compatibility.

For additional specifications and configuration options, contact the Griffin Motion Applications Team.

Features

Integrated Pneumatic Collet Actuation with Zero-Friction Air Union
High Precision Spindle Bearings
Compatible with 1C or Type D Lathe Collets
Up to 8.0mm Workpiece Diameter (with Type D Collet)
Low-Inertia Design
Dead-Length Collet Closing
Wet-Cut Capable
Field-Serviceable Collet-Closing Mechanism

Specifications

Air Pressure Range (PSI):60-90
Air Quality Required:ISO8573-1:2010 Class 3.4.3
Angular Accuracy +/- (arc-sec):30
Angular Repeatability +/- (arc-sec):4.0
Max Angular Velocity (rpm):600
Collet Type:1C or Type D
Continuous Torque (Nm):1.58
Peak Torque (Nm):3.15
Piston Surface Area (mm²):670
Radial Runout (µm):<30
Rotational Inertia (kgm²):0.0005
Mass (kg):5.0
Maximum Workpiece Diameter (mm):8.0 (6.35 for 1C Collet)
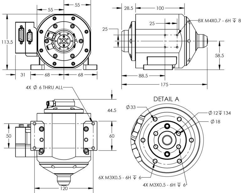
Precision Rotary Spindle for Laser Tube Cutting
STS-110 Spindle View 2

Mechanical Details

Downloads

product-cta-bg

Do you have questions?
Contact our experts

Request a Quote

Download File

"*" indicates required fields

This field is for validation purposes and should be left unchanged.
Name*

Download File

"*" indicates required fields

This field is for validation purposes and should be left unchanged.
Name*