Laser Processing

PLR-100

High Speed Linear-Rotary Stage Assembly with 1C or Levin D Collet, 100mm Linear Stroke
Product SKU:
PLR-100
Print
Do you have questions? Contact our Experts:  (866) 906-2709

Overview

The linear-rotary stages are designed for high loading capacities and precise positioning to suit a variety of applications. The pneumatic dead-length collet chuck allows to collet to remain stationary axially during opening and closing. The crossed roller bearings and the linear motor offer extremely smooth operation and velocity control. This stage has exceptional levels of accuracy, repeatability, flatness and straightness. A hard cover makes it excellent choice for dirty environments.

Features

100mm Linear Travel
Continuous 360° Rotation
High resolution linear and rotary encoders
Ironless linear servo motor
Brushless DC motor
Pneumatically activated collet chuck
Ø 8.00mm through bore

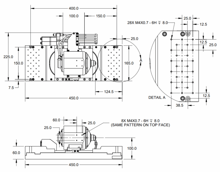
Specifications

Accuracy (±µm):4
Drive Type:Ironless LM
Encoder Output:1Vp-p
Flatness (µm):4
Force X Continuous:58
Height (mm):155
Length (mm):450
Moving Mass X:7.7
Pitch (arc-sec):5
Stage Mass (kg):14.2
Width:165
Yaw:+/- 3
29062_FM-3.png

Mechanical Details

Electrical Details

Downloads

product-cta-bg

Do you have questions?
Contact our experts

Request a Quote

Download File

"*" indicates required fields

This field is for validation purposes and should be left unchanged.
Name*

Download File

"*" indicates required fields

This field is for validation purposes and should be left unchanged.
Name*